The abrasive wheel of type VB5 is designed for sharpening the side surfaces of carbide-tipped circular saw blade teeth on Vollmer Biberach grinders of the following types: CC, CEF, CFL, CHAFT, CHAFRE, CHHF, CHTF, and CHF.
The abrasive wheel of type VB5 is designed for sharpening the side surfaces of carbide-tipped circular saw blade teeth on Vollmer Biberach grinders of the following types: CC, CEF, CFL, CHAFT, CHAFRE, CHHF, CHTF, and CHF.
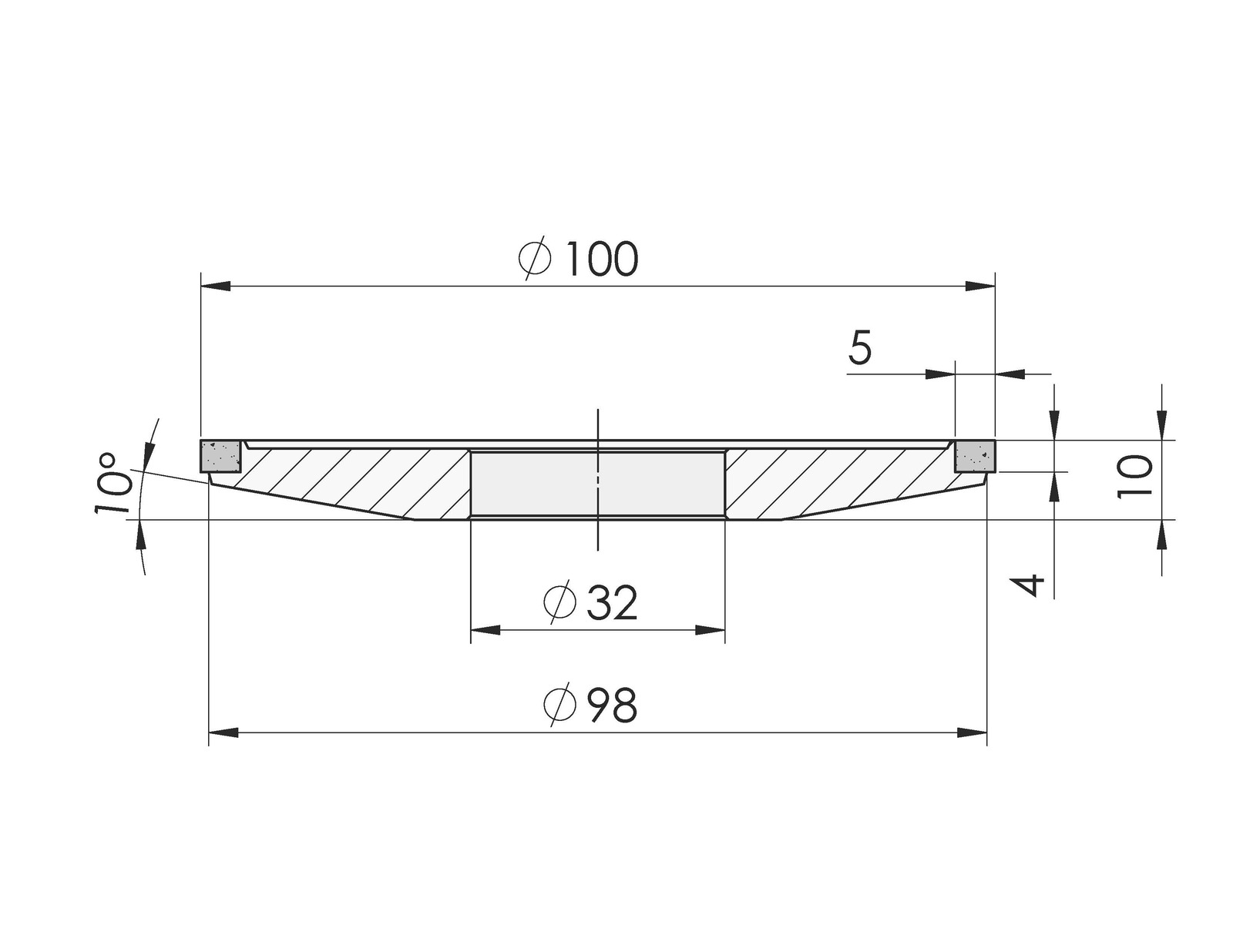
| D | W | X | T | H |
| 100 | 5 | 4 | 10 | 32 |
| Wheel type | D W X H | Body | Grain | Concentration | Operating conditions | Assortment |
| VB5 | 100x5x4x32 | KA | D54 | K100 | M B s | VB5 100x5x4x32 KA D54 K100 MBs |
| VB5 | 100x5x4x32 | KA | D64 | K100 | T B m | VB5 100x5x4x32 KA D64 K100 TBm |
The abrasive wheel of type VB5 is designed for sharpening the side surfaces of carbide-tipped circular saw blade teeth on Vollmer Biberach grinders of the following types: CC, CEF, CFL, CHAFT, CHAFRE, CHHF, CHTF, and CHF.
See resin wheel selection guide