Type: 13A2, LEUCO

Application

The 13A2 grinding wheel is designed for sharpening the cutting surfaces of carbide-tipped circular saw blade teeth on “Leuco” grinders.

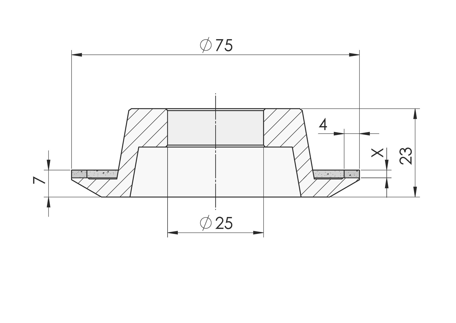
Dimensions

D W X H
75 4 2 | 4 25

Order example

Wheel type D W X H Body Grain Concentration Operating conditions Assortment
13A2 75x4x2x25 KA D64 K125 M B s 13A2 75x4x2x25 KA D64 K125 MBs
13A2 75x4x4x25 KA D76 K125 T B m 13A2 75x4x4x25 KA D76 K125 TBm

 

Application

The 13A2 grinding wheel is designed for sharpening the cutting surfaces of carbide-tipped circular saw blade teeth on “Leuco” grinders.

Can't find the product
you are looking for?
Ask us a question

    DON'T KNOW WHAT TO CHOOSE?

    Grinding wheels selection guide

    See resin wheel selection guide

    Find out more