Typ: 6A9

Anwendung

Die Schleifscheibe des Typs 6A9 wird zum Schärfen von Schneidwerkzeugen aus Hartmetall und Stahl verwendet.

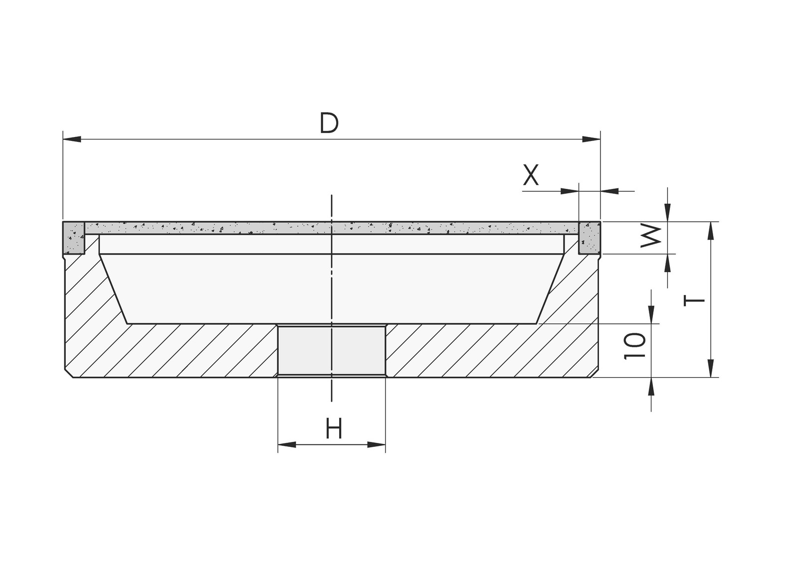
Maße

D X W T H
75 2 | 4 6 | 10 25 ≤ 32
80 2 | 3 | 4 6 | 10 25 Gemäß der Bestellung
100 2 | 3 | 4 6 | 10 30 Gemäß der Bestellung
125 2 | 3 | 4 6 | 10 30 Gemäß der Bestellung
150 2 | 3 | 4 6 | 10 35 Gemäß der Bestellung

Bestellbeispiel

Schleifscheibe D W X H Grundkörper Korngrosse Konzentration Schleifart Sortiment
6A9 75x2x6x20 KT D107 K75 M B s 6A9 75x2x6x20 KT D107 K75 MBs
6A9 150x4x10x32 KT B91 V180 T B m 6A9 150x4x10x32 KT B91 V180 TBm

 

Anwendung

Die Schleifscheibe des Typs 6A9 wird zum Schärfen von Schneidwerkzeugen aus Hartmetall und Stahl verwendet.

Sie können die gesuchten Product nicht finden? Stellen Sie uns eine Frage

    SIE WISSEN NICHT, WAS SIE WÄHLEN SOLLEN?

    Leitfaden zur Auswahl von Schleifscheiben

    Schau dir den Leitfaden zur Auswahl von Kunstharz-Schleifscheiben an

    FINDE MEHR HERAUS