Ściernica: 1A1W, WALTER

Anwendung

Die Schleifscheibe vom Typ 1A1W wird zum Schärfen von Nutrillen auf der Schneidfläche von Hartmetallkreissägen auf der Walter Woodtronic CNC5D und Woodtronic NC3 Schleifmaschine verwendet.

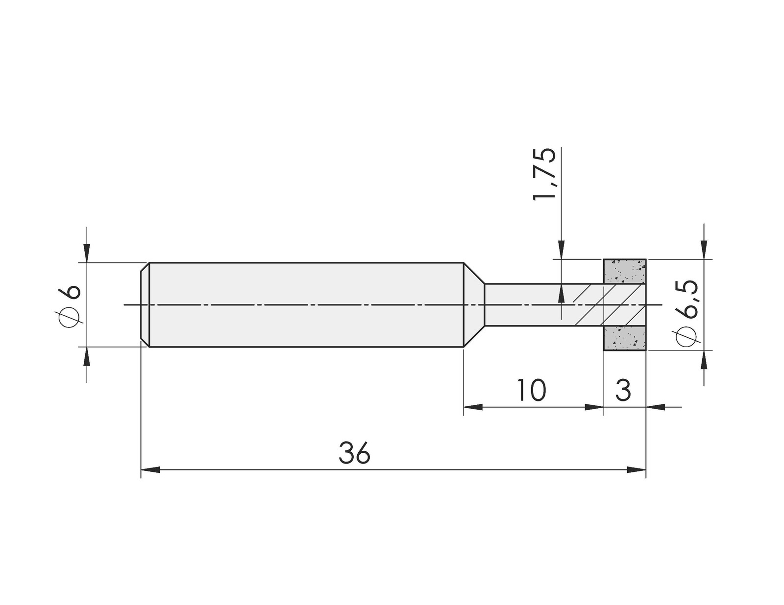
Maße

D T X S L
6,5 3 1,75 6 36

Bestellbeispiel

Schleifscheibe D T X S/L Grundkörper Korngrosse Konzentration Schleifart Sortiment
1A1W 6,5 x 3 x 1,75 x 6/36 KS D64 K125 M B s 1A1W 6,5 x 3 x 1,75 x 6/36 KS D64 K125 MBs
1A1W 6,5 x 3 x 1,75 x 6/36 KS D76 K125 T B m 1A1W 6,5 x 3 x 1,75 x 6/36 KS D76 K125 TBm

 

Anwendung

Die Schleifscheibe vom Typ 1A1W wird zum Schärfen von Nutrillen auf der Schneidfläche von Hartmetallkreissägen auf der Walter Woodtronic CNC5D und Woodtronic NC3 Schleifmaschine verwendet.

Sie können die gesuchten Product nicht finden? Stellen Sie uns eine Frage

    SIE WISSEN NICHT, WAS SIE WÄHLEN SOLLEN?

    Leitfaden zur Auswahl von Schleifscheiben

    Schau dir den Leitfaden zur Auswahl von Kunstharz-Schleifscheiben an

    FINDE MEHR HERAUS